|
设为主页
|
保存桌面
|
手机版
广东四会互感器厂有限公司
专业设计、生产和销售互感器、变压器、开关、传感器,开关柜用手车和绝缘件等电器...
网站首页
公司介绍
供应产品
采购清单
新闻中心
荣誉资质
联系方式
热销产品
LZZB6-10Q10kV5-800A电流互感器
LGB-66W3 户外干式电流互感器
LGB-110W2 户外干式电流互感器
LGB-220W2 户外干式电流互感器
LZZJ1-10 10kV 5-1250A电流互感器
新闻中心
暂无新闻
产品分类
LZZB6-10Q10kV5-800A电流互感器
LGB-66W3 户外干式电流互感器
LGB-110W2 户外干式电流互感器
LGB-220W2 户外干式电流互感器
LZZJ1-10 10kV 5-1250A电流互感器
LZZJ2、3、4-10 10kV5-800A
JDQXF-220W2 电压互感器
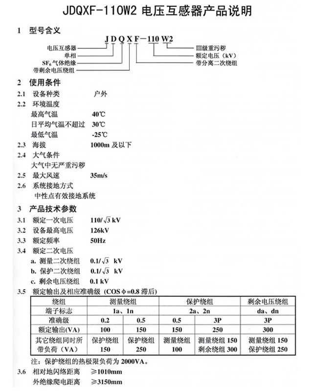
JDQXF-110W2 电压互感器
LFS-10Q 10kV5-1000A户内式电流互感器
LX-2、4、7(LJ-2、4、7)、LXZ-2电流互感器
站内搜索
供应产品
采购清单
新闻中心
您当前的位置:
首页
»
供应产品
» JDQXF-110W2 电压互感器
JDQXF-110W2 电压互感器
点击图片查看原图
产品:
浏览次数:1359
JDQXF-110W2 电压互感器
单价:
面议
最小起订量:
供货总量:
发货期限:
自买家付款之日起
天内发货
有效期至:
长期有效
最后更新:
2017-06-13 09:47
详细信息
询价单
共
0
条
相关评论
©2026
广东四会互感器厂有限公司
版权所有 技术支持:
环球电气网
访问量:11225
管理入口